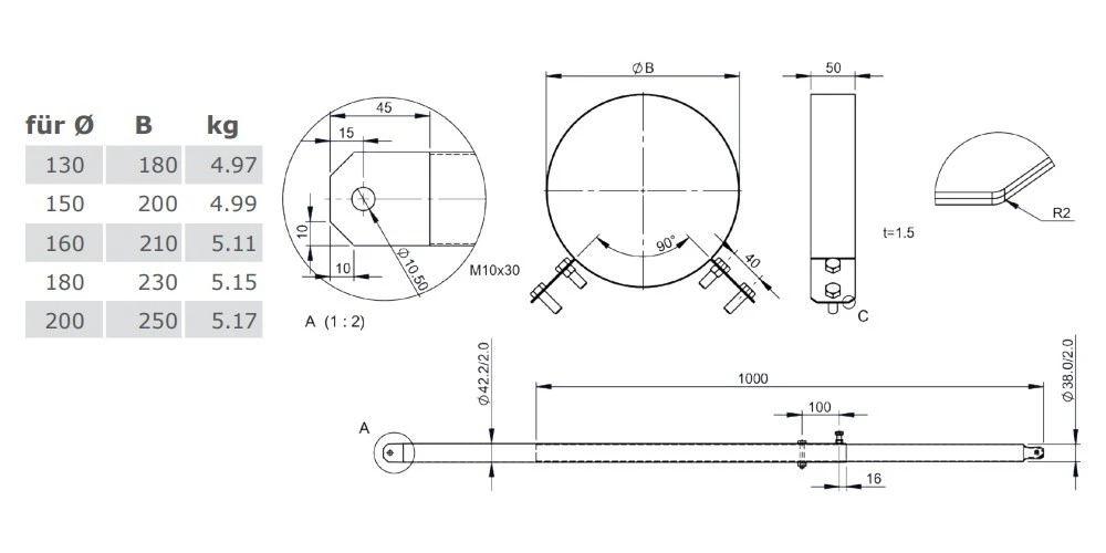
Maße der Befestigungsschelle (im Vergleich zum Innendurchmesser):
| Innendurchmesser (Schornstein) | Schellengröße/Außen-Ø (Innen-Ø + 50 mm) |
| 80 mm | 130 mm |
| 100 mm | 150 mm |
| 115 mm | 165 mm |
| 130 mm | 180 mm |
| 150 mm | 200 mm |
| 160 mm | 210 mm |
| 180 mm | 230 mm |
| 200 mm | 250 mm |
| 225 mm | 275 mm |
| 250 mm | 300 mm |
| 300 mm | 350 mm |
1x 2-Punkt-Abspannschelle
2x Verstärktes Rundrohr in gewählter Länge













Rezensionen
Es gibt noch keine Rezensionen.