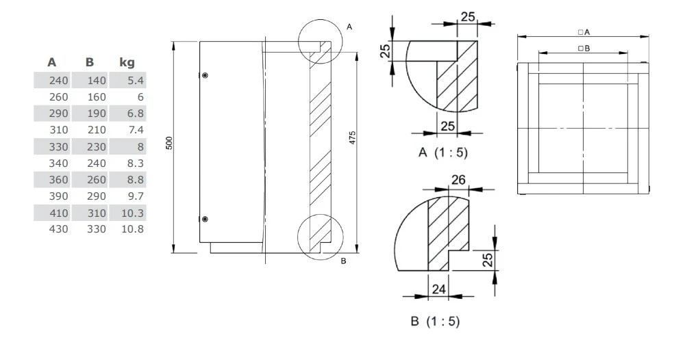
Schachtelement 500 mm verschraubt – Jeremias FURADO-A
Einsatzbereiche:
- Regelfeuerstätten für Öl, Gas
- Neubau und Sanierung
Eigenschaften:
- Hervorragende Dämmeigenschaften
- Handlich und montagefreundlich aufgrund des geringen Gewichtes
- Sichere Verbindungstechnik durch Nut- und Federverbindungen
- Verschiedene Innenrohrlösungen und Schachtverkleidungen werden allen Anforderungen gerecht
- Geringe Abstände zu brennbaren Bauteilen
- 25 m Aufbauhöhe des Schachtes ohne Zwischenstütze
- Statikset für Aufbauhöhen über Dach bis 3 m
* Sonderteil – Dieser Artikel ist ein nach Kundenspezifikationen gefertigtes Sonderteil. Sonderteile sind vom Umtausch und Widerrufsrecht ausgeschlossen.
1x Schachtelement 500 mm verschraubt für System FURADO-A von Jeremias













Rezensionen
Es gibt noch keine Rezensionen.