System Ferro-Lux: Kaminofenrohr – Winkelrohr
Einsatzzweck/Verwendung:
Verbindungsleitung aus Stahlblech DC01 (St12) mit eingezogener Steckverbindung, für den Einsatzbereich im Wohn- und Sichtbereich für frei im Raum stehende Kaminöfen nach DIN 1298
Feuerungsart:
Festbrennstoffe
Einsatztemperatur:
≤ 600°C
Material:
Stahlblech
Wandstärke:
2,0 mm
Schweißnaht:
WIG ohne Zusatz
Oberfläche:
mit hitzefestem Senothermlack beschichtet
CE-Zertifikatsnummer:
0036 CPD 9174 017
CE-Klassifizierung nach DIN EN 1956-2:
T600 – N1 – D – Vm – L01200 – G400
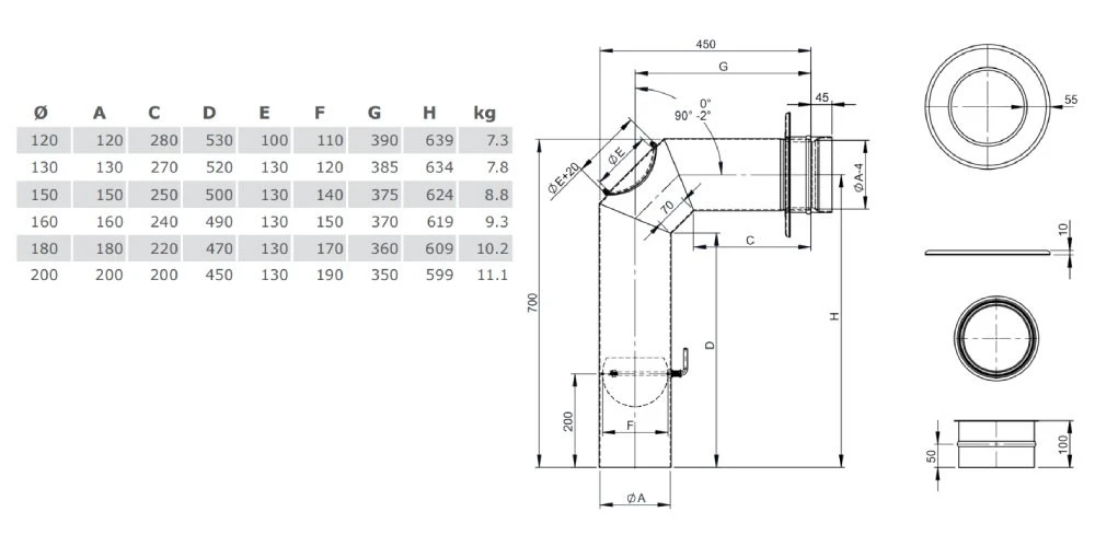
1 x Winkelrohr (Schenkellänge 450/700 mm) mit Tür und Drosselklappe
1 x Wandrosette
1 x Wandfutter















Rezensionen
Es gibt noch keine Rezensionen.