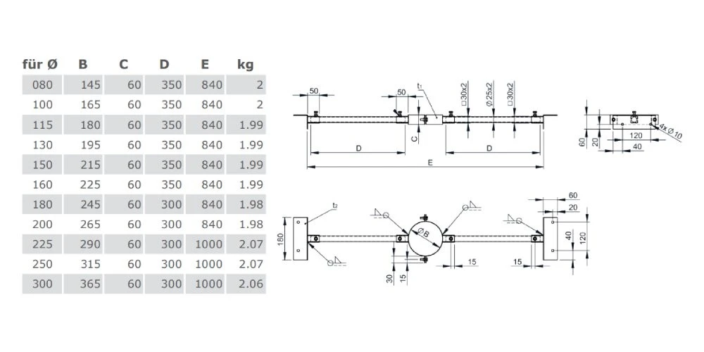
Dient der Befestigung. So stützen Sie den Kupferschornstein gegen seitliches Ausweichen im Dachdurchgang ab.
Bitte beachten: Statisch relevante Bauteile wie Wandhalter, Konsolen etc. sind in RAL 4798 Altkupfer lackiert. Mit fortschreitender Verwitterung der Abgasanlage wird ein anfänglicher Farbunterunterschied im Laufe der Zeit ausgeglichen.
* Sonderteil – Dieser Artikel ist ein nach Kundenspezifikationen gefertigtes Sonderteil. Sonderteile sind vom Umtausch und Widerrufsrecht ausgeschlossen.
1x Sparrenhalterung verstellbar 500-900 mm für System DW-FU von Jeremias













Rezensionen
Es gibt noch keine Rezensionen.