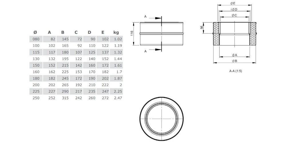
Übergang für unsere Schornstein – Systeme. EW-SILVER / DW-SILVER mit Wandfutter.
*Sonderteil* – Dieser Artikel ist ein nach Kundenspezifikationen gefertigtes Sonderteil. Sonderteile sind vom Umtausch und Widerrufsrecht ausgeschlossen.
1x Übergang EW-SILVER / DW-SILVER mit integriertem Wandfutter, gerade für Ferro, für System DW-SILVER von Jeremias













Rezensionen
Es gibt noch keine Rezensionen.