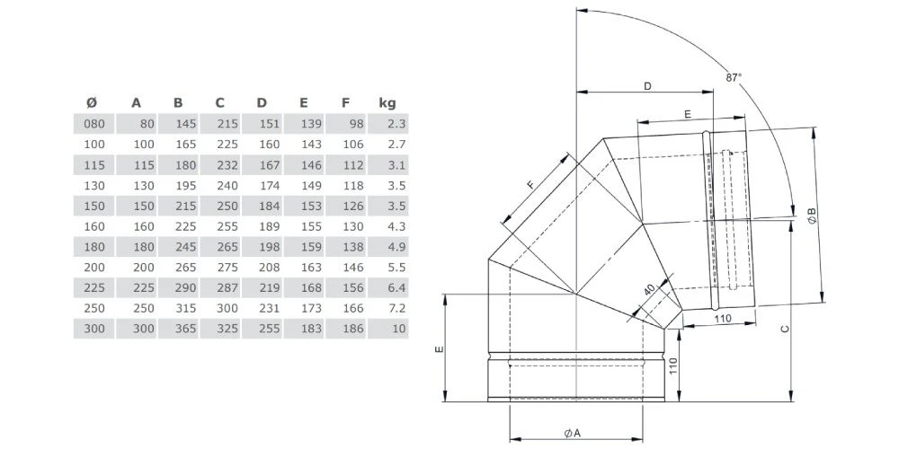
Winkel 87° starr für Ihren Kupferschornstein.
* Sonderteil – Dieser Artikel ist ein nach Kundenspezifikationen gefertigtes Sonderteil. Sonderteile sind vom Umtausch und Widerrufsrecht ausgeschlossen.
1x Winkel 87° starr für System DW-FU von Jeremias
1x Klemmband













Rezensionen
Es gibt noch keine Rezensionen.